1. 서 론
온실가스(Green House Gas, GHG) 배출 문제를 해결하기 위한 탄소중립(Net-zero)과 관련한 국내외 규범 및 정책이 발표되었으며, 국내의 온실가스 다배출 산업인 철강, 석유화학 및 시멘트 업계에서도 탄소중립을 위한 대책 마련에 힘쓰고 있다. 국내 시멘트 업계는 탄소중립 실현을 목적으로 ‘시멘트그린뉴딜위원회’를 출범하였고, 2050 탄소중립 도전 공동선언문을 발표하였다. 공동선언문에는 혁신 기술개발과 생산구조 전환을 통해 단기적으로는 순환자원 확대, 저탄소 원료 활용 및 공정 에너지 효율 향상으로 온실가스를 감축하는 등 탄소순환형 시멘트 생산 공정에 관한 내용을 포함하였다1,2,3). 시멘트 산업은 대표적인 에너지 집약 산업으로 시멘트 1톤을 제조하기 위해 약 2,800 MJ의 열 에너지가 필요하고 유연탄과 같은 화석연료가 사용되며, 석회석(CaCO3), 규석(SiO2), 점토(Al2O3), 철광석(Fe2O3) 등의 천연광물이 원료로 사용된다1,2,3,4). 원료 및 연료를 사용함에 따라 다량의 이산화탄소(CO2)가 발생되며, 이 때 손실되는 폐열도 매우 높은 비율을 차지하고 있어 환경적, 경제적 문제가 발생한다.
시멘트 업계에서는 원료 및 연료 사용에 따른 CO2 발생 문제를 해결하기 위해 순환자원 활용에 관한 노력을 지속적으로 실시하고 있으며, 이와 관련된 연구도 다양하게 수행하였다1,3). 시멘트 생산 중 발생하는 폐열은 예열기 및 클링커 공정에서 주로 발생한다. 생산 과정에서 소비되는 에너지의 40% 수준으로 폐열을 회수하여 활용할 경우, 시멘트 생산에 소비되는 에너지의 20~30%를 확보할 수 있기 때문에 폐열은 온실가스 감축을 위한 중요한 요소이다5,6,7).
폐열의 활용은 버려지는 에너지를 재활용하여 사용함에 따른 에너지 절약 및 효율적인 사용으로 탄소중립 정책에 부합하는 매우 중요한 에너지 활용 분야이다. 많은 국가에서는 재생 에너지를 온실가스 감축뿐만 아니라 에너지 안보, 경제 개발 및 환경 보호를 위한 중요한 요소로 보고 있다. 시멘트 분야에서 폐열 활용에 관한 대부분의 연구는 폐열 발전 시스템을 통해 시멘트 공정의 에너지 효율을 향상시키고, 이를 통해 온실가스 감축의 목적이 있다8,9,10). 국외 시멘트 업계에서는 주로 물을 이용한 증기랭킨사이클 시스템이 발전되었으며, 중저온에서도 효율이 높은 유기랭킨사이클 및 칼리나사이클의 연구도 활발하게 진행되고 있다11,12,13,14,15,16). 국내의 경우에는 대부분의 시멘트 업체에서 폐열 발전 설비를 구축하여 운용하고 있으나 이와 관련된 연구 자료는 거의 없는 실정이다. 이에 본 연구에서는 국내 시멘트 산업에서 에너지 저감 및 효율 향상을 위한 열에너지 재활용 분야로써 폐열 회수에 대한 소개 및 국내외 시멘트 산업에서 진행하고 있는 폐열 회수 시스템에 관한 연구 자료를 분석하여 향후 탄소중립 실현을 위한 시멘트 업계의 폐열 회수 및 활용 방안에 대해 검토 하였다.
2. 시멘트 산업 현황
국내 시멘트 산업은 우리나라의 대표적인 기간산업으로 1960년대 후반 경제 발전과 함께 크게 성장하였으며, 2019년 기준 세계 11대 시멘트 생산국이자 8위 소비국으로 발전하였다. 세계 시멘트 생산량은 2013년 이후 40억 톤 이상 생산하고 있으며, 국내에서도 Fig. 1과 같이 약 5,000만톤 수준으로 생산하고 있는 것으로 확인되었으며, 최근 국제 사회의 탄소중립 요구에 따라 온실가스 저감을 위한 다양한 대응책을 마련하고 있다1).
시멘트 생산은 석회석과 점토질, 규산질 등의 원료를 혼합, 분쇄한 후 고온의 소성로에서 가열하는 공정 등을 통해 제조하는 에너지 집약적인 산업 공정 중 하나로 화석연료의 사용이 필수적이다. Fig. 2는 시멘트 공정 및 필요 에너지원을 나타낸 것으로 크게 원료 공정, 소성 공정, 시멘트 생산 공정으로 분류할 수 있으며 모두 전기 에너지를 사용하며, 소성 공정에서는 고온의 열에너지가 필요하다8,9). 시멘트 산업은 화석 연료 및 시멘트 원료인 석회석 사용으로 인한 CO2 발생의 비중이 높은 온실가스 다배출 산업으로 분류 되며, 다양한 방법으로 CO2 저감 방안을 마련하고 있다. 국내 시멘트 산업에서는 CO2 감축을 목적으로 원료전환, 연료전환 및 공정효율 개선 기술 등을 적용하고 있다1,3,8). 원료를 대체하는 경우에는 석회석 원료 대체를 위해 CaO 성분이 다량 존재하는 비탄산염 원료를 필요로 하며 대표적으로는 산업부산물인 슬래그, 석탄재 및 소각재 등을 활용하여 소성 공정에서 발생하는 CO2 배출량을 감소시킬 수 있다(Fig. 3). 대체 원료 적용을 위해서는 기본적으로 기존 천연 원료와 유사한 화학조성 및 전처리 가공 등에 의한 품질 향상이 필요하다. 연료 전환은 국내 시멘트업체에서 수입하고 있는 주연료인 유연탄을 대체하기 위한 부분으로 연료비 가격 상승에 따른 제조원가 상승을 극복하기 위해 필요한 부분이다1,3,8). 대체연료는 유연탄을 가연성 연료로 대체하여 시멘트 제조 원가를 절감 시킬 수 있다. 시멘트 산업에서 사용 가능한 대체연료는 기존 연료 대비 30%까지 대체가 가능한 것으로 알려져 있으며, 폐유, 폐합성수지, 폐타이어, 종이 및 플라스틱 등이 대체연료로 사용된다. 이 중 폐합성수지류는 발열량이 높아 연료로 시멘트 소성로에 적용이 가능하기 때문에 사용량 증대를 위한 소성로 내부 염소 성분 제어, 균일 열원 공급, 폐합성수지 적용효과, 공정 최적화 및 안정적 활용 기술 등에 관한 연구가 활발하게 진행되고 있다. 이외에도 기존의 화석연료를 대체하는 기술로 수소 및 바이오매스 등을 이용한 친환경 열원 시스템 등이 있다1,3,8). 순환자원을 활용한 대체 공정은 실제 산업에도 적용하고 있으나, Fig. 3에서 알 수 있는 것처럼 원료 및 연료의 대체 비중이 부족한 실정이다.
원료 및 연료 순환자원을 통한 온실가스 저감은 지속적인 발전이 필요한 상황이며, 이와 함께 공정 및 에너지 효율 향상을 위한 대응도 필요하다. 시멘트 공정효율 향상을 위해서는 시멘트 제조 공정 중 손실되는 폐열을 활용한 폐열 발전 시스템을 적용할 수 있다. 폐열은 고온 및 고압의 증기를 발생시켜 폐열 발전 시스템을 통해 전기에너지를 생산하며, 전기에너지는 시멘트 제조 공정 투입되어 에너지를 절감할 수 있다. 우리나라에서도 시멘트 산업의 온실가스 저감을 위한 다양한 분야 중 시멘트 산업에서 발생한 폐열 활용 기술에 관심이 높아지고 있다. 국내 대부분의 시멘트 업체는 폐열 회수 발전 설비를 갖추고 있는 상태로 폐열 발전 비중 확대를 통해 시멘트 산업의 CO2 배출량 감축을 기대하고 있다. 이러한 높은 관심 및 투자를 진행하고 있지만 국내에서 시멘트 산업의 폐열 발전과 관련된 연구는 매우 부족한 실정으로, 폐열과 관련된 연구 및 사례는 대부분 2000년대 초반에 발표되었다5,6,7). 2010년 이후의 국내 연구 자료는 확인이 어려웠으며, 신문 및 방송 매체를 통한 폐열 발전 시스템 적용에 관한 자료가 확인되었다17). 이에 본 연구에서는 최근 해외에서 발표된 시멘트 산업의 폐열 발전 기술에 대해 정리하였으며, 국내에서 발표된 연구 내용과 비교 하였다.
3. 폐열 회수 현황
에너지 사용에 따라 지구 온난화의 원인인 온실가스가 지속적으로 발생하고 있으며, 온실가스를 줄이기 위한 탄소중립 정책이 발표되었다. 탄소중립의 목적 달성을 위해서는 온실가스 배출을 최소화하기 위한 대응이 필요하며, 기본적으로는 에너지 절약 및 고효율화 등을 통한 에너지 저감 방안이 필요하다. 실생활, 산업 및 운송 등 다양한 형태로 사용하고 있는 에너지는 Fig. 4와 같이 화석연료 및 재생에너지원 등으로부터 공급받아 활용하고 있으나, 에너지원으로 사용하지 못하고 손실되는 부분은 약 70 %수준으로 확인되었다11,12). 2035년의 세계 에너지 수요는 2008년 대비 53% 증가할 것이라는 전망 및 신흥 경제국의 에너지 가격 상승과 정부 규제 등이 발표되었다. 우리나라는 에너지를 생산할 수 있는 자원이 매우 부족한 실정으로 에너지 저감 기술 및 버려지는 에너지에 대한 재활용 기술 개발이 절실히 필요한 상황이다. 이러한 이유로 세계에서는 에너지 확보 및 저감을 위해 다양한 방식을 통한 폐열회수시스템(Waste Heat Recovery System, WHRS) 시장이 확대되고 있다18,19,20,21,22,23,24,25). 폐열(Waste heat)은 에너지를 사용하는 과정에서 활용하지 못하고 외부로 버려지는 열을 의미하며, 폐열 회수는 공정에서 일부가 다른 목적으로 사용되지 않고 버려지는 에너지를 회수하여 재사용하는 것을 의미한다. 다양한 산업에서 발생하는 폐열은 온도에 따라 활용할 수 있는 분야 및 공정이 달라질 수 있으며, Fig. 5처럼 열원을 회수하여 기존 공정에 재사용하거나 열원이 필요한 공정으로 활용 및 전기 에너지로 전환하는 등 다양한 분야에 이용할 수 있다26). 폐열을 전기에너지로 전환하여 사용할 경우에는 공정 전체의 에너지 효율을 향상 시킬 수 있기 때문에 다양한 산업에서는 폐열 활용을 위한 연구를 진행하고 있다. 세계 폐열 회수 시스템 시장은 전 세계 41,291백만 달러 수준에 육박하는 것으로 추정되고 온도 및 활용 용도에 따라 예열용, 증기 발생용 및 발전용, 기타로 분류할 수 있으며, 증기발생 및 발전용으로 가장 많이 활용하고 있다. 덴마크의 경우 전력 수요의 50% 이상, 핀란드는 39%, 러시아는 31%를 폐열을 회수하여 전력 수요를 공급하고 있으며, 산업 폐열 발전 시장은 연평균 5% 이상 성장하고 있다19).
산업에서 발생한 폐열을 활용하는 방법은 폐열 발전, 지역난방 및 히트펌프 등의 방식이 있으며, 본 연구에서는 열원을 전기로 전환시켜 에너지를 생산하는 주요 폐열 발전 시스템에 대해 조사하였다. 폐열 발전 시스템은 산업 공정에서 회수한 폐열을 이용해 작동유체를 증발시켜 생성된 고온고압의 증기가 터빈을 통해 팽창하는 과정에서 전기를 발전하는 방식으로 화력발전소에서 사용하는 증기 발전과 동일한 방식이다. 하지만 각 산업에서 발생하는 열원의 온도는 공정에 따라 차이가 있으며, 온도 차이에 따른 폐열 발전의 효율 차이가 나타난다19,20,21,22,23,24,25). 이러한 이유로 Fig. 6과 같이 각 산업에서 회수할 수 있는 온도 조건 및 적용하는 폐열 시스템의 차이가 발생한다. 산업에서 발생하는 폐열은 온도 범위에 따라 분류 가능하며, 일반적으로 많이 활용되고 있는 작동유체(Working fluid)는 물이다. 물을 사용하는 발전은 증기 랭킨 사이클(Steam Rankine Cycle, SRC) 발전 시스템으로, 랭킨사이클(Rankine cycle, RC)이라고도 한다5,6,7,27).
SRC는 펌프, 보일러, 터빈 및 응축기를 통해 시스템이 구성되며, 고온의 열원에 대해서는 효율이 높지만 열에너지의 온도가 370 ℃ 이하의 중저온의 조건에서는 시스템 효율 저하 및 이로 인한 경제성 문제가 발생하는 특성이 있다. 이러한 이유로 온도가 낮은 저등급의 열원에서도 효율 및 적용성이 좋은 유기랭킨사이클(Organic Rankine Cycle, ORC) 또는 칼리나사이클 시스템(Kalina Cycle System, KSC) 등의 발전 방식이 다양하게 연구되고 있다28,29,30,31,32,33,34,35,36,37,38,39,40).
Table 1은 폐열을 회수하기 위한 발전 방식 및 이에 대한 특성을 나타낸 것으로, 작동유체로 물을 사용하는 SRC공정에서는 320 ℃이상의 폐열의 온도가 필요하지만 ORC 및 KCS는 상대적으로 낮은 온도에서도 폐열 회수가 가능한 특성을 보여준다13,14). 폐열의 온도 조건만 보면 물이 가장 높을 열을 필요로 하지만 가장 무해하고 안전한 장점이 있으며, ORC과 KCS는 SRC에 비해 설비비용이 높은 단점이 있다. 이러한 작동유체의 특성을 기반으로 Table 1 및 Fig. 6과 같은 방식으로 각 산업에서 필요한 폐열 회수 시스템을 연구하고 있다.
Table 1.
ORC방식은 SRC와 기본적인 구조는 같지만 작동 유체로 물을 사용하지 않고 유기 혼합물(Organic fluid)을 사용하는 폐열 회수 방식으로 다양한 열원에 대한 적용성이 높다. ORC에서 작동유체를 물이 아닌 유기물을 사용하므로 증발온도가 수증기에 비하여 낮고, 응축 온도는 높기 때문에 비교적 낮은 온도의 열원이 있는 경우에도 사이클 형성이 용이하다. 따라서 저온의 열원이 있더라도 전기에너지로의 변환이 가능한 장점이 있다. Fig. 7(a)는 일반적인 유기랭킨 사이클을 나타낸 것으로 증발기, 펌프, ORC 터빈 및 응축기로 구성되어 있다33). 사이클의 각 과정은 펌프에서의 압축, 증발기에서의 흡열, 터빈에서의 팽창 및 응축기에서 방열 과정으로 구성되며 터빈 출구에서의 유기혼합물은 과열상태로 응축기로 유입되어 다시 응축되는 과정을 반복하게 된다. ORC는 기존의 랭킨사이클과는 달리 비교적 엑서지(Exergy)가 낮은 저열원을 이용하여 전력을 생산해 내는 시스템으로 낮은 에너지 열원에서 작동해야한다. 엑서지는 시스템의 상태가 주위 환경의 상태로부터 벗어난 양의 척도로서, 주어진 에너지로부터 얼마만큼의 일을 해낼 수 있는 가에 대한 개념이다. 따라서 ORC의 작동유체를 선정할 때는 적용하고자 하는 시스템과 유기혼합물의 특성을 정확히 파악하여 선정해야 시스템의 효율을 최적화 할 수 있다. 작동유체로는 비등점이 낮고, 증기압이 높아야 하며, 터빈의 입구 질량 유량을 증가시키기 위해 잠열(Latent heat)이 작고, 밀도가 큰 것이 상대적으로 유리하다. 이외에도 열전달 특성이 좋아야 하며, 사용온도 범위 내에서 화학적인 안정성을 가지며 열분해가 일어나지 않고, 독성이나 위험성이 없어야 한다18,19,20,21,22,23,24,25). 할로겐화 탄화수소계 화합물과 이소부탄과 같은 유기화합물은약 200℃ 정도의 작동 온도에 매우 적합하며, 작동온도가 200℃ 이상인 경우에는 열안정성이 더욱 높은 톨루엔과 같은 유기물질을 사용하여야 한다.
Fig. 7(b)는 칼리나 사이클을 나타낸 것으로, 칼리나 사이클은 작동유체로 암모니아-물(Ammonia-Water)의 혼합유체를 사용하는 발전 시스템이다. 혼합유체는 등압 조건에서도 온도가 변하면서 상변화가 일어나기 때문에 상 변화과정에서 서로 다른 온도특성이 있어서 열원온도가 낮은 경우에도 적용이 가능하며, 엑서지 파괴를 줄일 수 있어서 에너지 변환 효율을 높일 수 있는 특성이 있다. 폐열 회수에 관한 기존 연구는 주로 SRC 시스템을 활용한 연구가 다수 수행되었으나, 최근에는 폐열 회수 효율 향상 및 이를 통한 에너지 재활용을 위해 ORC나 KCS를 통하여 에너지를 변환하는 연구도 다양한 산업 분야에서 연구하고 있는 것으로 확인되었다. ORC 및 KCS와 같이 작동유체를 사용하는 방식은 작동유체의 선택이나 혼합물의 농도 설정, 열교환기의 용량 그리고 각 구성 요소의 운전 압력과 온도 범위에 따라 시스템의 효율과 경제성이 크게 달라지는 특성이 있기 때문에 실험 및 시뮬레이션 분석을 통한 연구가 활발한 것으로 확인되었다18,19,20,21,22,23,24,25).
4. 시멘트 산업 폐열 활용
4.1. 국내 시멘트 폐열 활용 현황
시멘트산업 시설에서 발생하는 폐열은 대부분 배기가스에서 발생되고 있으며 온도는 약 250 ~ 350℃ 범위이다. 국내 시멘트 업계에서 논문 및 보고서 등을 통해 발표된 자료는 2010년 이후 확인할 수 없었으며, 2010년 이전에도 시멘트 산업의 폐열과 관련된 자료는 매우 부족한 것으로 확인되었다5,6,7).
최근에는 신문 등의 매체를 통해 폐열 활용 및 에너지 효율 향상을 목적으로 대부분의 시멘트 업체에서 폐열 활용 발전설비를 구축하고, 이에 따른 전력비 감축이 진행하고 있는 것으로 확인되었다17). 각 업체별 가동 시기 및 발전 규모는 차이가 있는 것으로 확인되었으며, A 업체에서 2018년부터 가동 중인 폐열발전이 가장 큰 발전용량(43.5 MWh)으로 확인되었다(Table 2).
Table 2.
Waste heat generation capacity of cement companies in domestic17)
|
Cement company |
Initial operation date (Year) |
Power (MWh) |
| A | 2018 | 43 |
| B | 2015 | 16.5 |
| C | 2012 | 29.5 |
| D | 2011 | 25 |
| E | 2004 | 19.7 |
| F | 1992 | 9.1 |
A 업체의 43.5MWh 규모 폐열발전설비는 1,000억원 투자하여 2018년부터 가동하고 있으며, 폐열발전 설비를 통해 매년 28만MWh를 생산하고 있다17). 대부분의 시멘트 업체들이 폐열 발전을 통해 전력을 생산하여 전력비를 감축하고 있으나, 국내에서 발표한 시멘트 폐열 관련 자료는 매우 부족한 실정으로 최근 자료 확보가 어려웠으며 본 조사에서는 2010년 이전의 자료를 정리하였다. 과거 시멘트 업체에서 발표된 자료는 1993년 및 2004년에 F업체에서 발표하였으며, E 업체에서는 2010년에 발표하였다.
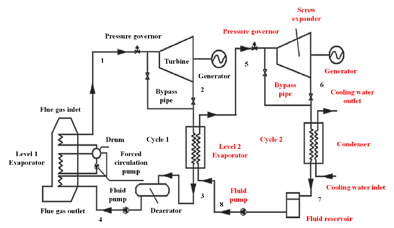
F업체에서는 국내 처음으로 폐열 발전 설비를 설치하여, 운용한 업체로 폐열회수 설비를 통해 2010년 기준 총 소요 전력의 20%를 확보하고 있다고 발표하였다5,6). 폐열 발전 설비는 증기랭킨사이클 방식으로, 폐열설비 공정은 2대의 킬른과 각각의 클링커 쿨러에 1대씩 총 2대의 폐열 보일러를 설치하였다6). 각각의 보일러는 고압의 과열증기(340 ℃)를 생산하여 스팀 터빈으로 전달, 스팀은 터빈발전기를 돌려 전력을 생산한 후, 응축기로 이동되어 응축수로 바뀐 후 다시 폐열 보일러로 이송되는 방식이다. 이 업체에서 기존의 시멘트 생산방식으로는 클링커를 냉각하면서 발생하는 열을 그냥 대기로 방출했으나 폐열 발전을 통해 시멘트 생산 공정에 지장을 주지 않고도 폐열을 회수하여 9.1 MWh의 전력을 생산하여 에너지 이용의 극대화가 가능하다고 제시하였다(Fig. 8).
국내 E 업체에서 적용한 방식도 증기랭킨사이클 방식으로 2010년 발표한 자료에서 두 개의 시멘트 클링커 쿨러에 폐열 회수 보일러와 스팀터빈 발전기를 설치하였다7). F 업체와 같이 클링커 제조공정에서 발생하는 폐열을 회수하여 전력을 생산하여 에너지 비용 절감 및 CO2를 저감 하고자 하였다. 고온의 폐열로부터 열을 흡수한 후 고압증기와 고온수를 생산하여 스팀터빈 발전기에 공급하는 폐열회수 보일러 공정, 열에너지를 기계적 에너지로 전환하여 발전기를 구동하여 전기적 에너지를 생산하는 증기터빈 공정 등으로 설계되었다.
현재까지 국내 시멘트 업체에서 발표한 자료에서는 모두 SRC 방식을 통한 폐열 회수 및 전력 생산을 하고 있는 것으로 확인되었다. 이러한 이유는 가장 사용하기 쉽고 환경적 부담이 적은 작동유체인 동시에 관련 기술 부족으로 인한 결과로 생각된다. 국내 시멘트 업체 자체적으로 ORC 또는 KCS 같이 저온의 열을 회수하기 위한 연구도 필요한 것으로 생각되며, 이를 위해서는 시멘트 업체뿐만 아니라 보일러 기계 분야 등의 전문가와 함께 이론적, 실험 및 실증 등에 관한 연구 협업이 필요하다고 판단된다.
4.2. 국외 시멘트 폐열 활용 현황
해외 시멘트 폐열 회수에 관한 연구 자료는 국내 연구보다 훨씬 많은 연구 자료가 확인되었으며 다양한 방법으로 연구하는 것으로 조사되었다(Fig. 9). 일반적으로 SRC, ORC 및 KCS 등 발전 설비 효율 평가, 발전 엔진 타입, 작동유체 비교 및 열 손실 제어 분야 등에 대한 연구가 확인되었으며, 이러한 연구는 실험, 사례연구 및 시뮬레이션 등의 방법을 통해 실험 결과를 평가하였다28,29,30,31,32,33,34). 최근에는 시멘트 폐열을 최대한 회수하여 온실가스를 저감하기 위한 폐열 활용 응용 연구로써 타 산업에 시멘트 폐열을 공급하거나 두 종류 이상의 사이클 설비를 연계하여 최대한 열에너지를 회수하는 연구 및 수소와 같은 에너지를 생산하기 위한 연구도 확인되었다. 국외 시멘트 폐열 활용 연구에서는 ORC에서 중요 요소인 작동유체에 관한 연구 및 최근 폐열 회수를 극대화하기 위해 연구한 자료를 분석하였다35,36,37,38,39,40).
Table 3은 ORC에 적용하는 작동유체를 비교한 연구 사례를 나타낸 것으로, 300 ℃ 온도 범위의 열원을 활용하기 위해 다양한 작동유체를 활용하여 실험하였다. 주로 ORC에 적용 가능한 작동 유체 종류에 대한 기초 물성을 활용한 열역학적 특성 분석 및 이에 따른 열 회수 특성 분석에 관해 다양한 연구가 제시되었다. 기존 연구결과에서는 온도 및 공정 등의 변화에 따라 작동유체에 의한 폐열 회수 최적 조건이 다른 것으로 확인되었으며, 이러한 이유로 작동유체 선정을 위한 다양한 실험 및 평가가 검토되어야 한다고 판단된다9,18,28,29).
Table 3.
Fig. 10에서는 시멘트 킬른에서 배출되는 폐열을 효율적으로 사용하기 위해 ORC와 SRC를 연계하여 순차적으로 열원을 회수하는 연구를 나타내었다37). 1차 열원 회수는 SRC를 이용하며, 1차 열원회수로부터 충분히 회수하지 못한 열원에 대해서는 ORC를 이용하여 2차 열원 회수를 실시하였다. 따라서 2개의 사이클로 구성되며, 1차 사이클은 물을 작동 유체로 사용하고, 2차 사이클은 1차 사이클 터빈의 출구 흐름에서 나오는 폐열을 활용하기 위해 작동 유체를 사용하였다. ORC는 5 종류의 작동유체를 비교하였으며, 사이클의 열효율, 비가역성 및 경제성 평가를 기반으로 최적의 방식, 작동 유체 및 작동 조건을 결정하기 위한 연구를 수행하였다. ORC와 SRC를 연계한 폐열 회수 방식은 기존의 SRC 방식에 비해 열 효율 및 전력 생산량이 향상되는 결과를 나타내었다.
Fig. 11은 폐열 회수를 위해 시멘트 킬른의 예열기에서 발생하는 가스와 냉각기에서 발생하는 열원을 하나로 통합하여 증기 터빈으로 투입하는 방법과 각 열원을 회수하여 따로 배열회수 보일러(Heat Recovery Steam Generator, HRSG)에서 생성된 증기가 혼합 챔버에서 함께 혼합되어 증기 터빈으로 투입하는 방식으로 분류하여 에너지 효율을 분석한 결과이다34). 결과에 따르면 시나리오 1과 시나리오 2의 회수 열량은 각각 23,931kJ/s와 21,253kJ/s로 확인되었으며, 사이클 효율은 각각 23.5%와 22.2%로 나타났다. 이러한 이유는 연료 에너지의 절반 이상이 다양한 방식으로 손실되어 나타난 결과 제시하였고, 두 개의 열 회수 시스템 중 하나의 회수 보일러만 사용하는 시스템이 더 많은 전력을 생산할 수 있는 것으로 확인되었다. 최근에는 폐열을 타 산업에 활용하기 위한 연구도 발표되었으며, 기존 시멘트 열원을 단독으로 활용하는 방법에 비해 효율이 높다고 제시하였다.
Fig. 12는 시멘트 킬른에서 발생하는 폐열을 석탄 화력 발전소의 열 회수 공정과 연계한 공정을 나타낸다35). 시멘트 공장의 배기가스에서 회수된 열은 석탄 화력 발전소의 열 교환 장치로 투입되며, WHRS는 기존 폐열회수 방식에 비해 더 많은 에너지 생산이 가능하다고 제시하였다. 또한 에너지 및 엑서지 분석 통해 열에너지가 필요한 분야의 연계 공정이 열역학 및 경제성 측면에서 향상되는 특성을 확인하였고, 폐열 회수를 위한 추가적인 설계 및 시스템이 필요하지 않기 때문에 자본 및 운영비용을 크게 줄일 수 있다고 제시하였다. 유사 연구로 시멘트 킬른에서 발생하는 폐열을 CCU 공정에 직접 투입하여 CO2를 포집하는 연구도 발표되었으며, 이는 시멘트 공정에서 발생하는 CO2를 직접 포집하여 시멘트 산업의 탈탄소화를 극대화 하고자 하였다38).
폐열이 타 산업에 간접적으로 연계된 연구로써, 시멘트 산업에서 발생하는 폐열을 이용하여 수소를 제조하고 이를 천연가스(Natural Gas, NG)와 혼합하는 시스템도 연구되었다36). 이 폐열 회수 공정에서 생산된 전력은 수소를 생산하기 위한 알칼리 전해조 장치에 활용이 되며, 생산된 수소는 NG에 혼합되어 연소 효율이 향상되고, CO2 배출량을 감소할 수 있다고 발표하였다. 시스템 분석은 Aspen Plus을 이용해 분석하였고, 시스템의 열역학적 및 환경적 특성을 확인하기 위한 에너지 및 엑서지 효율, CO, CO2 및 NOx 배출을 조사하였다. Fig. 13은 공정 시스템을 나타낸 것으로, ORC의 작동유체로 R600a 사용하여 얻은 전력이 가장 높은 결과를 나타내었으며, 혼합물의 수소 함량이 부피 기준 0%에서 50%로 증가되면 천연가스 소비량이 크게 감소한다고 제시하였다.
해외에서 발표된 폐열 회수는 기존의 SRC를 통해 100% 확보하지 못했던 에너지를 최대한으로 활용하기 위해 다양한 방식으로 연계한 연구 분야로 확인되었다. 이러한 이유는 화석연료 사용에 따른 온실가스를 줄이기 위한 목적으로 원료 및 연료에 대한 순환자원 활용과 함께 폐열 발생 분야에서의 재활용 연구 역시 매우 중요하기 때문으로 생각된다. 국내의 경우 광물을 포함한 대부분의 에너지자원을 수입에 의존하고 있기 때문에 에너지 재활용은 국가 경쟁력 향상을 위해서도 절실히 필요하다고 판단된다. 최근 국내에서도 이러한 유사 내용의 연구로 시멘트 생산 공정에서 발생하는 열원을 활용하여 메탄올 생산을 위한 연구과제가 수행하고 있는 것으로 확인되었으나, 관련 연구 및 자료 등이 매우 부족한 실정이다. 이러한 에너지 재활용 분야의 연구를 위해 시멘트 업계의 노력과 함께 타산업과의 연계를 위한 협업 및 지원이 필요하다고 판단된다.

Fig. 13.
Schematic representation of the utilization of waste heat from cement industry plant to generate hydrogen38).
5. 결 론
시멘트 산업은 에너지 소비량 및 온실가스 배출량이 높은 사업으로 알려져 있어 국제 사회에서 요구하는 탄소 중립 정책에 대응하기 위한 방안이 필요한 상황이다. 이에 본 연구에서는 국내 시멘트 산업에서 탄소중립에 대응하기 위해 시멘트 생산 공정에서 발생하는 폐열 활용에 관한 연구를 조사하였다. 국외 연구에서는 폐열 활용을 위한 랭킨시스템 비교, 작동유체 변화 및 열손실 제어와 관련된 연구뿐만 아니라 타 산업에 시멘트 폐열을 공급하거나 두 종류 이상의 사이클 설비를 연계하는 등 다양한 변수 및 연계 공정을 통해 열에너지 회수를 극대화하는 연구가 진행된 것으로 확인되었다.
국내 시멘트 산업의 경우 현재 대부분의 시멘트 업체에서 폐열을 활용하여 전력을 확보하고 있는 것으로 조사되었으나, 시멘트 업체에서 폐열을 활용하는 방식, 용량 및 비교 등의 연구 자료는 확인이 어려웠다. 우리나라는 자원이 부족하여 에너지를 대부분 수입에 의존하고 있기 때문에 시멘트 산업의 지속적, 안정적 발전을 위해서는 탄소 배출 저감과 함께 에너지 확보를 위한 대응책 마련이 절실히 필요하다. 이를 위한 대안 중 하나로 시멘트 산업과 기계, 화학 및 시스템 관련 연구 분야의 협업을 통한 중온 및 저온의 폐열 활용 기술 개발과 적극적인 지원이 필수적이라고 생각된다.














